|
제품 상세 정보:
|
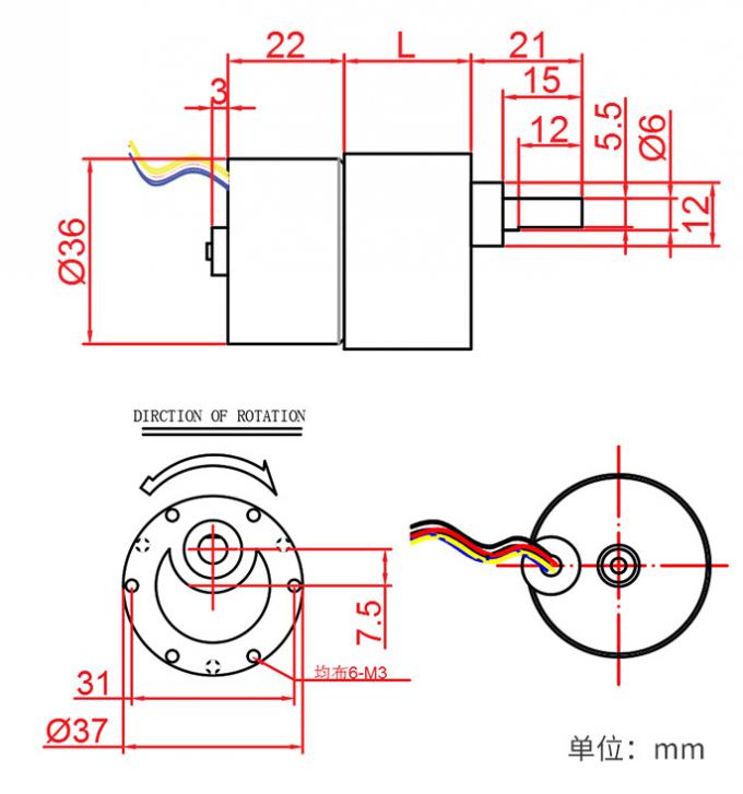
| 제품 이름: | JGB37-3625 | 애플리케이션: | 로봇 |
|---|---|---|---|
| 모터 타입: | DC 브러시리스 환원 모터 | 키워드: | 브러쉬 없는 환원 모터 |
| 정량 전압: | 12/24V | 인증: | CE ROHS |
| 힘: | 4W | 크기: | 37mm |
| 출력 축 지름: | 6mm ((D축) | 소음: | 저소음 |
| JGB37-520 마이크로 DC 기어 모터 설명: |
이제, 당신은 37mm DC gear 모터를 얻을 수 있습니다.JGB37-520B)그리고 다른 관련37mm기어박스 모터 다음과 같습니다.
| JGB37-520B | JGB37-3530 | JGB37-3157 | JGB37-3625 |
| JGB37-3650 | JGB37-545 | JGB37-550 | ZGA37-3530 |





담당자: Mrs. Maggie
전화 번호: 15818723921
팩스: 86--29880839